Промышленная материнская плата IEI KINO-AQ170 формата Mini-ITX предназначена для построения надежных и высокопроизводительных встраиваемых систем. Она поддерживает процессоры Intel 6-го и 7-го поколения с сокетом LGA 1151, включая Core i7/i5/i3, Pentium и Celeron, обеспечивая гибкость выбора в зависимости от требований приложения.
Плата оснащена двумя слотами для оперативной памяти DDR4 SO-DIMM с частотой 2133 МГц, поддерживающими до 64 ГБ памяти. Для хранения данных предусмотрены четыре порта SATA III (6 Гбит/с) с возможностью конфигурации RAID 0/1/5/10, что повышает надежность и производительность системы.
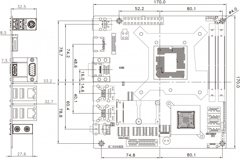
В плане расширения KINO-AQ170 предлагает:
- 1 слот PCIe x8 для установки дополнительных карт расширения;
- 1 слот Mini PCIe, поддерживающий mSATA, для подключения дополнительных устройств хранения или беспроводных модулей;
- 6 последовательных портов RS-232 и 2 порта RS-232/422/485 для подключения промышленного оборудования;
- 6 портов USB 2.0 и 4 порта USB 3.2 Gen1x1 для подключения периферийных устройств;
- 2 порта Gigabit Ethernet (LAN) для обеспечения надежной сетевой связи.
Для вывода видео предусмотрены следующие интерфейсы:
- 1 порт VGA;
- 1 порт HDMI 2.0, поддерживающий разрешение до 4096x2160 при 60 Гц;
- 1 порт DisplayPort (DP), поддерживающий разрешение до 3840x2160 при 60 Гц;
- 1 порт iDP, совместимый с HDMI, LVDS, VGA, DVI и DP, поддерживающий разрешение до 3840x2160 при 60 Гц.
Плата KINO-AQ170 функционирует в температурном диапазоне от -20°C до +60°C и поддерживает влажность от 5% до 95% без конденсации, что делает ее подходящей для эксплуатации в различных промышленных условиях. Она соответствует стандартам CE и FCC, подтверждая соответствие требованиям безопасности и электромагнитной совместимости.
Применение KINO-AQ170 актуально в сферах промышленной автоматизации, систем видеонаблюдения, медицинского оборудования и других областях, где требуется высокая производительность и надежность. Благодаря широким возможностям расширения и гибкости конфигурации, эта плата обеспечивает эффективную интеграцию с различным промышленным оборудованием, удовлетворяя потребности в построении специализированных встраиваемых систем.
Основные характеристики:
| Характеристика | Значение |
|---|---|
| Потребление 3.3 В | 0.62 А |
| Потребление 5 В | 3.3 А |
| Тестовая конфигурация | Intel® Core™ i7 6700K 4.0GHz CPU with 16 GB (two 8 GB) 2133 MHz DDR4 memory |
| Потребление 12 В | 7.51 А |
| Потребление 5 В SB | 0.23 А |
| Вес брутто, кг | 0.9 |
| Габаритные размеры, мм | 170mm x 170mm |
| Вес нетто, кг | 0.45 |
| RS-232 | 4 |
| Разъем процессора | LGA 1151 |
| Максимальный объем оперативной памяти | до 64 Гб |
| Установлен процессор | Нет |
| RS-232/422/485 | 2 |
| USB 2.0 | 6 |
| Объем установленной оперативной памяти | Не установлена |
| Разъём оперативной памяти | SO-DIMM |
| Общее количество слотов расширения | 2 |
| USB 3.x | 4 |
| Слоты расширения | PCIe x8 Mini PCI-e |
| Видеоинтерфейсы | HDMI iDP (для модулей HDMI, LVDS,VGA, DVI, DP) HDMI/DP VGA |
| Форм-фактор платы | Mini-ITX |
| Дополнительные функции | Сторожевой таймер |
| Поддерживаемые карты памяти | Del |
| Тип процессора | Intel Celeron Intel Core i3 Intel Core i5 Intel Core i7 Intel Pentium |
| Порты и интерфейсы | Digital I/O (GPIO) I2C SMBus |
| Сетевые интерфейсы (Ethernet) | 2 x 10/100/1000 (RJ-45) |
| Сертификаты | CE FCC |
| Тип устройства | Процессорная плата |
| Тип оперативной памяти | DDR4 |
| SATA | 4 х SATA III (6 Гб/с), с поддержкой RAID 0/1/5/10 |
| Кабели | SATA - 2 шт. |
| Поддерживаемые блоки питания | ATX |
| Количество и тип разъёмов входного питания | ATX |
| RoHS | Да |
| Влажность | 5 ~ 95 % ( без конденсата ) |
| Температура эксплуатации, °C | -20 ~ +60 |
| Форм-фактор процессорной платы | Mini-ITX |
| Сторожевой таймер ( WDT ) | Программируемый от 1 до 255 сек. |
| Цифровые (GPIO) | 8 бит |
| SMBus | 1 |
| I2C | 1 |
| PCIe x8 | 1 |
| Mini PCIe | 1 (Full-Size c поддержкой mSATA) |
| Объём установленной памяти | Не установлена |
| Тип памяти | DDR4 |
| Количество и тип разъемов памяти | 2 x SO-DIMM |
| Максимальный объем памяти | до 64 Гб |
| Частота памяти | 2133 МГц |
| Установленный процессор | Не установлен |
| Тип поддерживаемых процессоров | Intel Celeron Intel Core i7 Intel Core i5 Intel Core i3 Intel Pentium |
| Контроллер Ethernet | Intel I219LM Intel I211 |
| Количество и тип портов | 2 х 10/100/1000 (RJ-45) |
| BIOS | UEFI |
| Южный мост (Southbridge) | Intel Q170 |
| Видеоконтроллер | Intel HD Graphics Gen 9 |
| Максимальное разрешение | 4096 x 2160 |
| Дополнительные возможности | Поддержка трех мониторов Поддержка DX11/12, OpenCL 2.x, OpenGL 4.3/4.4 |
| Интерфейсы | HDMI iDP (для модулей HDMI, LVDS,VGA, DVI, DP) VGA HDMI/DP |
| Контроллер | Realtek ALC662 |
| Разъёмы | Line Out (Phone Jack 3.5 мм) Mic In (Phone Jack 3.5 мм) Audio |
Вы можете разместить заявку удобным для вас способом:
• через корзину на сайте, добавив выбранные товары;
• по телефону или электронной почте, указанным в разделе «Контакты»;
• через форму обратной связи или онлайн-чат.
Что указать в заявке
Для быстрой обработки заявки просим указывать:
• список оборудования с количеством;
• контактные данные (e-mail и телефон);
• реквизиты компании.
Подробнее см. на странице «Как купить?».
Все финансовые операции проводятся строго в безналичной форме, что гарантирует надежность и соответствие требованиям корпоративных стандартов.
- Форма оплаты. Все расчёты осуществляются исключительно в безналичной форме на основании выставленного счёта.
- Для юридических лиц. Наша деятельность ориентирована на оптовые поставки для компаний. В редких случаях возможна продажа физическим лицам для целей предпринимательской деятельности.
- Для международных клиентов. При поставках за пределы Республики Казахстан НДС не начисляется. Возможны расчёты в USD, EUR и CNY.
- Отсрочка платежа. Для постоянных и проверенных партнёров возможна индивидуальная договорённость об отсрочке.
Мы предлагаем несколько удобных способов получения оборудования. Выберите тот, который лучше всего соответствует вашим потребностям:
- Самовывоз со склада в Алматы.
Быстро и бесплатно для тех, кто находится в Алматы или может самостоятельно организовать забор товара. - Курьерская доставка по Алматы.
Удобное решение для оперативной доставки по городу. - Доставка транспортными компаниями по Казахстану и за рубеж.
Надежный способ отправки в любой регион и за пределы страны, включая удалённые объекты — рудники, месторождения, режимные территории и другие площадки, где требуется соблюдение особых условий безопасности (например, наличие у курьеров касок, жилетов и другого СИЗ).